Обратный клапан CV-16W
Технические характеристики
Техническое описание
Рабочая среда
Вода, воздух и другие среды, совместимые с материалами конструкции обратного клапана
Тип присоединения
Межфланцевый
Класс герметичности
B
Условия эксплуатации
У 3.1 по ГОСТ 15150-69
Дополнительная информация
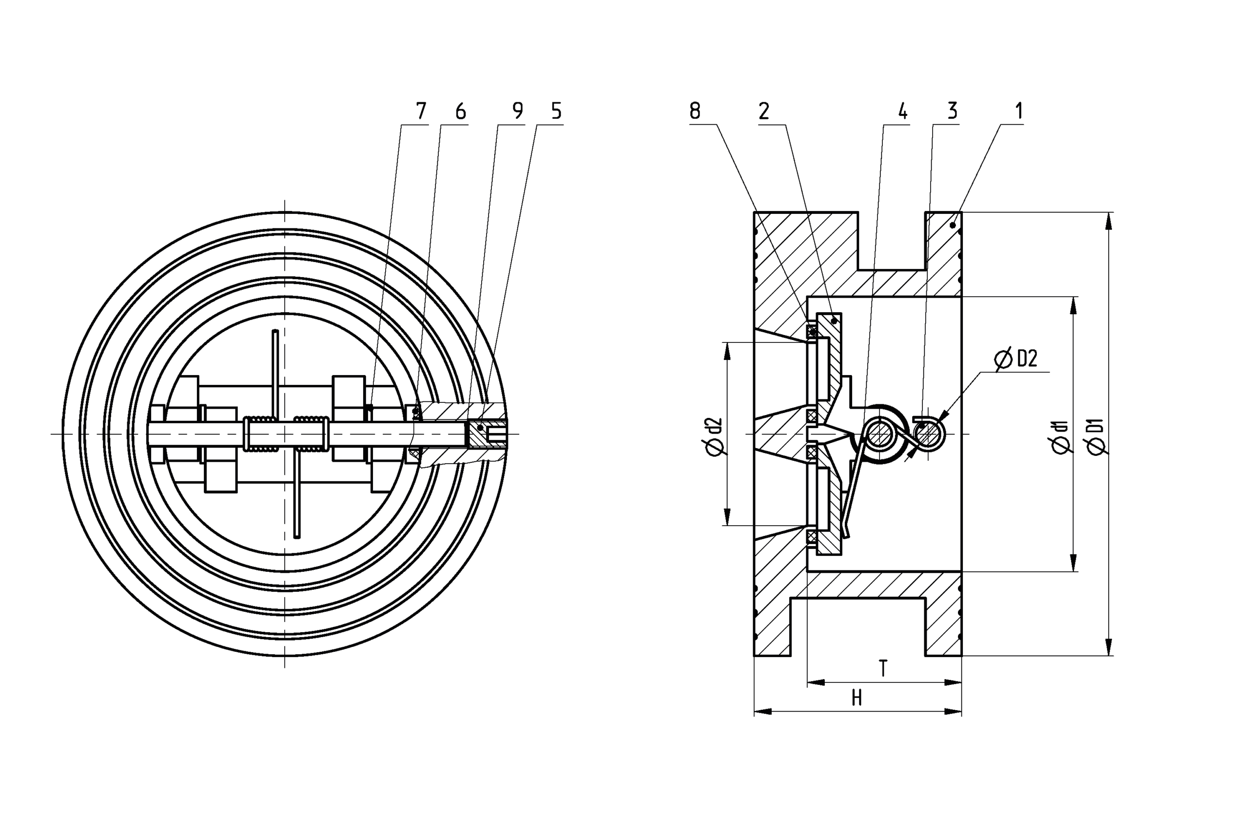
Габариты
| mm | in | D1 | D2 | d1 | d2 | T | H |
| 40 | 1,5" | 92 | 5 | 57 | 38 | 32 | 43 |
| 50 | 2" | 108 | 6 | 65 | 45 | 33 | 43 |
| 65 | 2,5" | 128 | 6 | 80 | 60 | 34 | 47 |
| 80 | 3" | 142 | 6 | 94 | 70 | 43 | 64 |
| 100 | 4" | 162 | 8 | 118 | 82 | 48 | 64 |
| 125 | 5" | 192 | 8 | 145 | 112 | 50 | 70 |
| 150 | 6" | 217 | 10 | 170 | 132 | 53 | 76 |
| 200 | 8" | 272 | 10 | 225 | 180 | 58 | 89 |
Технические характеристики
Рабочая среда
Вода, воздух и другие среды, совместимые с материалами конструкции обратного клапана
Тип присоединения
Межфланцевый
Класс герметичности
B
Условия эксплуатации
У 3.1 по ГОСТ 15150-69
Техническое описание
